Universal DIN (11851/1150)
Acero inoxidable 11850/11851
Conexión: Soldar.
Estándar/Largo
Acabados: Decapado o pulido
Diámetros: DIN 10 - DIN 200
Norma: DIN
Aplicación: Farmacéutica, Cervecera, Alimenticia, cosmética e industria química

|
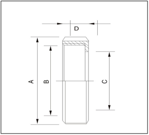
SIZE |
A |
B |
C |
D |
SLOTS |
|
DIN 15 |
44 |
RD 34X1/8 |
25 |
18 |
4 |
|
DIN 20 |
54 |
RD 44X1/6 |
31 |
21 |
4 |
|
DIN 25 |
63 |
RD 52X1/6 |
36 |
21 |
4 |
|
DIN32 |
70 |
RD 58X1/6 |
42 |
21 |
4 |
|
DIN 40 |
78 |
RD 65X1/6 |
49 |
21 |
4 |
|
DIN 50 |
92 |
RD 78X1/6 |
62 |
22 |
4 |
|
DIN65 |
112 |
RD 95X1/6 |
80 |
25 |
6 |
|
DIN 80 |
127 |
RD 110X1/8 |
94 |
30 |
6 |
|
DIN 100 |
148 |
RD 130X1/8 |
115 |
31 |
6 |
|
DIN 125 |
178 |
RD 160X1/8 |
138 |
35 |
6 |
|
DIN 150 |
210 |
RD 190X1/8 |
164 |
40 |
6 |
|
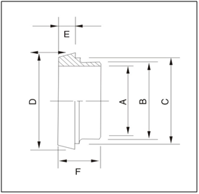
SIZE |
A |
B |
C |
D |
F |
|
DIN 15 |
16 |
19 |
24 |
28 |
17 |
|
DIN 20 |
20 |
23 |
30 |
36 |
18 |
|
DIN 25 |
26 |
29 |
35 |
44 |
22 |
|
DIN32 |
32 |
35 |
41 |
50 |
25 |
|
DIN 40 |
38 |
41 |
48 |
56 |
26 |
|
DIN 50 |
50 |
53 |
61 |
68 |
28 |
|
DIN65 |
66 |
70 |
79 |
86 |
32 |
|
DIN 80 |
81 |
85 |
93 |
100 |
37 |
|
DIN 100 |
100 |
104 |
114 |
121 |
44 |
|
DIN 125 |
125 |
129 |
137 |
150 |
34 |
|
DIN 150 |
150 |
154 |
163 |
176 |
37 |
|
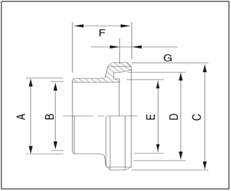
SIZE |
A |
B |
C |
D |
E |
F |
G |
|
DIN 15 |
19 |
16 |
RD 34X1/8 |
26 |
18 |
21 |
4 |
|
DIN 20 |
23 |
20 |
RD 44X1/6 |
33 |
23 |
24 |
6 |
|
DIN 25 |
29 |
26 |
RD 52X1/6 |
40 |
30 |
29 |
7 |
|
DIN32 |
35 |
32 |
RD 58X1/6 |
46 |
36 |
32 |
7 |
|
DIN 40 |
41 |
38 |
RD 65X1/6 |
52 |
42 |
33 |
7 |
|
DIN 50 |
53 |
50 |
RD 78X1/6 |
64 |
54 |
35 |
7 |
|
DIN65 |
70 |
66 |
RD 95X1/6 |
81 |
71 |
40 |
8 |
|
DIN 80 |
85 |
81 |
RD 110X1/8 |
95 |
85 |
45 |
8 |
|
DIN 100 |
104 |
100 |
RD 130X1/8 |
114 |
104 |
54 |
10 |
|
DIN 125 |
129 |
125 |
RD 160X1/8 |
142 |
130 |
46 |
12 |
|
DIN 150 |
154 |
150 |
RD 190X1/8 |
167 |
155 |
50 |
13 |
| SIZE | A | B | B |
| DIN 20 | 4.5 | 23 | 33 |
| DIN 25 | 5 | 29 | 40 |
| DIN 32 | 5 | 35 | 46 |
| DIN 40 | 5 | 41 | 52 |
| DIN 50 | 5 | 53 | 64 |
| DIN 65 | 5 | 70 | 81 |
| DIN 80 | 5 | 85 | 95 |
| DIN 100 | 5 | 104 | 114 |

